首 页 >>> 产品目录 >>>  高压测试设备 >>> ZL-10KV绝缘耐压测试仪
产品名称:ZL-10KV绝缘耐压测试仪
产品型号:
 
ZL-10KV绝缘耐压测试仪详细介绍:

一:ZL-10KV绝缘耐压测试仪主要技术参数

1:电源输入 单相220V  50HZ

2:额定容量  1KVA 变压器

3:输出电压  AC:0-10KV、DC:0-10KV

4:泄漏电流 AC 0-30mA/DC 0-30mA

5:工作时间0-300s

6:控制方式  自动


二:ZL-10KV绝缘耐压测试仪原理图


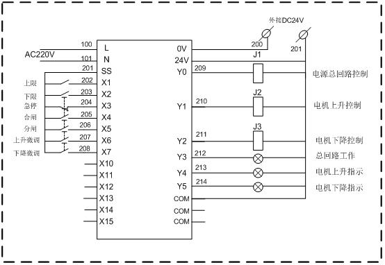
三:ZL-10KV绝缘耐压测试仪接线示意图

使用方法

1:连接好面板对应AC或者DC连接线,接电源AC220V输入特别提醒:请接好面板上面标示的接地线,请务必接好,否则会超成安全事故接通电源AC220V,打开电源开关。

2:点击触摸屏,进入设置界面,

3:参数设定一般只需设定,输出电压,泄漏电流,通电时间三个参数即可,其他不要改,设定好参数后,点击“返回”到主界面,再点击一下“测试”按钮,界面“工作”指示灯为红色并闪烁,升压指示灯亮,至额定电压,“升压”停止并开始计时-计时完成-降压-主回路断开。整个耐压过程将按要求自动完成。并记录所有参数,点击“试验报告打印”将打印测试结果。

4:测试过程中,如果输出电压相差太多,按下“升压、降压”按钮,微调输出电压;如果出现主回路电流过大或泄漏电流过大主回路将立即停车,或人为按下电源开关,急停复位,所有电路将自动复位。


四、ZL-10KV绝缘耐压测试仪界面说明

主界面

点击进入测试界面

直流测试界面

交流测试界面

点击“开始”测试,将自动完成整个测试过程


首 页 | 彩神8争霸lll简介 | 新闻动态 | 产品介绍 | 人才招聘 | 企业邮局 | 联系我们
版权所有:扬州志力电气科技有限公司 电话:86-0514-88771811 传真:86-0514-88770226 备案号: 苏ICP备15009851号-2
苏公网安备32102302010504